-
產品特點
? 閥體采用鑄造、鍛壓等生產工藝,連接方式有法蘭、焊接、快裝、螺紋等連接方式
? 球芯只需繞閥門軸轉90°即可完成全開或全關,動作簡單迅速
? 密封圈采用獨特的彈性唇緣密封技術,保證了零泄漏的切斷要求,特有的自動補償功能使閥門具有更長的使用壽命
? 密封圈材料有聚四氟乙烯、增強型PTFE及硬密封等各種結構,適用于各種工況
? 球芯表面硬化處理后,經磨削、拋光,平滑耐磨
? 球芯等徑直通式流道與管道內徑基本相同,流阻小
? 內裝式閥桿具有更好的安全性和剛性
? 由于球芯與密封圈在開關過程中有剪切作用,故特別適用于如紙漿、污水與其他帶顆粒的漿料類流體
? 可按用戶要求加裝防靜電裝置
-
應用標準
? 設計、制造標準:GB/T 12237-2007
? 法蘭標準:國標GB/T、機械部JB/T、化工部HG/T、美標API、ANSI、德標DIN、日標JIS、JPI、英標BS
? 結構長度標準:GB/T 12221-2005
? 試驗與檢驗標準:GB/T 13927-2008
? 驅動方式:手動、可配驅動(氣動、電動 )
? 公稱通徑:DN15~DN100 ISO19.05 ~ 101.6
? 公稱壓力:1.0MPa,1.6MPa
? 適用溫度:國產PTFE -10~100℃、進口PTFE -10~150℃
? 適用介質:氣體、水、油
? 可配驅動:手動、電動、氣動、液動
? 連接標準:衛生法蘭
? 閥體材質:CF8(304)、CF3(304L)、CF8M(316)、CF3M(316L)
-
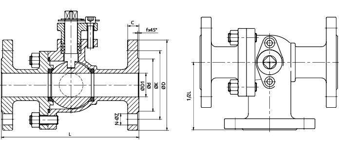
結構型式

-
主要性能指標
主要零件材料
| 閥體 | WCB | ZG1Cr18Ni9Ti | CF8 | CF3 | ZG1Cr18Ni12Mo2Ti | CF8M | CF3M |
| 球體 閥桿 | 1Cr13 | 1Cr18Ni9Ti | 304 | 304L | 1Cr18Ni12Mo2Ti | 316 | 316L |
| 閥座 | 聚四氟乙烯PTFE加坡纖增強聚四氟乙烯PTFE+Glass 對位聚笨PPL |
| 墊片 | 聚四氟乙烯PTFE不銹鋼/柔性石墨 |
| 閥桿座 | 聚四氟乙烯PTFE不銹鋼/柔性石墨 |
| 填料 | 聚四氟乙烯PTFE增強柔性石墨 |
| 填料壓蓋 | WCB | 1Cr18Ni9Ti | 304 | 304L | 1Cr18Ni12Mo2Ti | 316 | 316L |
| 溫度 | 國產PTFE -10~100℃
進口PTFE -10~100℃ |
| 介質 | 水、蒸汽、油品 | 硝酸類 | 強氧化介質 | 醋酸類 | 尿素類 |
數 據
一系列DIN / A series of DIN
| 規格 | 配管外徑 | d | D | K | N-M | T | L | F | H |
| DN15 | Φ19×1.5 | 16 | 79 | 67.5 | 4-Φ7 | 10 | 135 | 135 | 77 |
| DN20 | Φ23×1.5 | 20 | 79 | 67.5 | 4-Φ7 | 10 | 144 | 135 | 78 |
| DN25 | Φ25×1.5 | 25 | 79 | 67.5 | 4-Φ7 | 10 | 169 | 135 | 95 |
| DN32 | Φ32×1.5 | 31 | 79 | 67.5 | 4-Φ7 | 10 | 192 | 181 | 113 |
| DN40 | Φ40×1.5 | 37 | 88 | 75 | 4-Φ7 | 10 | 192 | 181 | 113 |
| DN50 | Φ53×1.5 | 50 | 100 | 87.2 | 4-Φ9 | 10 | 213 | 181 | 121 |
| DN65 | Φ70×2 | 66 | 121 | 106 | 4-Φ9 | 10 | 241 | 181 | 135 |
| DN80 | Φ85×2 | 81 | 140 | 125 | 4-Φ9 | 11 | 288 | 336 | 140 |
| DN100 | Φ104×2 | 100 | 162 | 147.5 | 6-Φ9 | 11 | 329 | 436 | 158 |
二系列ISO / Second series ISO
| 規格 | 配管外徑 | d | D | K | N-M | T | L | F | H |
| 3/4" | Φ19.05×1.5 | 16.05 | 79 | 67.5 | 4-Φ7 | 10 | 144 | 135 | 78 |
| 1" | Φ25.4×1.5 | 22.4 | 79 | 67.5 | 4-Φ7 | 10 | 169 | 135 | 95 |
| 1.25" | Φ31.8×1.5 | 28.8 | 79 | 67.5 | 4-Φ7 | 10 | 192 | 181 | 113 |
| 1.5" | Φ38.1×1.5 | 35.1 | 88 | 75 | 4-Φ7 | 10 | 192 | 181 | 113 |
| 2" | Φ50.8×1.5 | 47.8 | 100 | 87.2 | 4-Φ9 | 10 | 213 | 181 | 121 |
| 2.5" | Φ63.5×1.5(2) | 60.5(59.5) | 114 | 99 | 4-Φ9 | 10 | 241 | 181 | 135 |
| 3" | Φ76.2×2 | 72.2 | 130 | 115 | 4-Φ9 | 11 | 288 | 336 | 140 |
| 3.5" | Φ88.9×2 | 85 | 140 | 125 | 4-Φ9 | 11 | 288 | 336 | 140 |
| 4" | Φ101.6×2 | 97.6 | 162 | 147.5 | 6-Φ9 | 11 | 329 | 436 | 158 |